新利体育·luck18(中国),是一家专注于车辆定位远程管理系统的高科技服务型企业。

超声波油耗设备

  超声波油耗设备是一款为企业的车队管理者设计的油量监控设备,可用于防范司机偷油、优化运营成本、优化司机驾驶行为、辅助统计决策等。18luck登录入口利用超声波探头来探测油位高度,再通过主机的内置程序对油量高度信号进行智能处理,将油量信息通过GPS发送到系统平台,解析后生成油量报表。18luck登录入口支持串口与模拟量输出,与大多数品牌的GPS/北斗一体机实现对接,可轻松的将18luck登录入口接入后台监管系统。
  产品采用的是由本公司自主研发并国内超声波油耗设备技术,目前广泛应用于汽车油耗监控项目;并远销海外。








超声波液位18luck登录入口


ACT系列默认参数:

测量柴油和汽油液位,测量水位或其他液体液位请联络我们;

安装固定方式适合金属材质油箱或罐体,塑料材质请参考超薄款;

默认长润协议模拟量65535=100cm,走长润协议定位主机及油箱或罐体高度超过100cm请联系修改。


一、概述

1、产品简介

ACT采用高频超声波检测技术对燃油、液态物质进行非接触液面高度测量的传感装置。超声波液位与传统液位检测设备相比,测量精度高、使用简便,可外贴安装(不破坏容器结构)、可接驳联网设备实现液位远程监控。超声波油位18luck登录入口专对车辆油量监测进行安装以及算法优化,能适应复杂路况及特殊油箱车辆进行实时油量监测,并对危险品运输车罐体液位也能输出稳定的数据。


2、产品特点

防水、轻量化结构设计,外贴不开孔安装;

双螺栓固定支架,安装简单、固定牢固、方便拆卸;

直流5V和9~36V供电,适配各种定位主机及车辆;

RS232/RS485/4-20mA电流/0-5V电压模拟量四种通讯接口;

信号强度强,适应不同材质的油箱和罐体;

内置抗干扰结构和电路,智能算法过滤、高稳定输出;

内置高精计算模型,毫米级测量分辨率;





3、适用范围

车辆远程油耗监测;

危化品运输车罐体液位监测;

工程机械油耗远程监测;

洒水车水罐水位监测;

船用油箱油耗监测;

储液罐(单层)液体液位测量;

灌装液态燃气测量。



二、电气性能

1、基本参数



参数

规格描述

单位

备注

输入电压

DC5

 DC9~36

V

两款电压版本

工作电流

≦20

≦30

mA

电压越大电流越小

防爆等级

本安 Exia II CT6



测量范围

46~1000

mm

(1)

测量精度

≤0.5%FS


(1)

分辨率

0.1

mm


测量角度

0~5

°

(2)

被测容器厚度

0.6~5.0

mm

盲区5cm(3)

5.0~10.0

mm

盲区10cm(3)

≥10.0

mm

(3)

通讯接口

RS232 / RS485


(4)

通讯速率

9600

bit/S

波特率可调

线序定义

黑色-地线; 红色-正极; 黄色-TX/B; 绿色-RX/A

备注:

(1)常温1个标准大气压,默认测量液体为0#柴油。量程可修改,检测量程大于100cm或其他液体介质,请说明,可修改量程和液体对应声速出货;

(2)容器壁厚2mm,钢材质,内容10~100cm柴油,变换容器倾斜角度测试;

(3)盲区值视容器的材质和厚度决定,5~10mm壁厚盲区值需要改小,或≥10mm壁厚盲区值设定,请提供材质和准确壁厚,可重新设定盲区值出货;

(4)长期备货为RS232和RS485接口,电压和电流模拟量输出请提前预定,RS232传输距离建议小于10m,超过10m通讯距离请选RS485。

2、额定环境条件

项目

最小值

典型值

最大值

单位

备注

存贮温度

-45

25

80


工作温度

-40

25

75


3、可靠性测试条件



序号

测试项目

实验条件

样品数量

1

高温高湿工作

75℃,85%RH,Power ON@24V,240hrs

3

2

低温工作

-40℃,Power ON@24V,240hrs

3

3

高温高湿存贮

80℃,90%RH,storage,120hrs

3

4

低温存贮

-45℃,storage,120hrs

3

5

振动试验

10-200Hz,15min,2.0G,XYZ三个轴向,每个轴向0.5小时

3

6

跌落试验

1.2m自由落体跌落,5次@木质地板

3

注意:试验后模块通过功能测试即判定OK,性能衰减率≤10%。

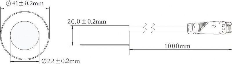
4、产品尺寸



三、通讯说明

1、协议适用范围

18luck登录入口RS232/RS485两种硬件接口进行通讯,可在自动协议模式、MODBUS受控协议模式、电容油杆协议各模式下工作(自动协议和电容油杆协议集成在一起,默认为自动输出模式,使用受控协议,发对应命令即可自动切换到所需模式),协议(同时支持很多私有受控协议)不同控制方式也有所不同,购买时需说明所需协议类型。

2、通讯格式

接口

波特率

数据位

停止位

校验位

RS232

9600 bit/S

8

1

RS485

9600 bit/S

8

1

3、自动输出协议

(1)数据帧结构

*XD , 小时 ,  ID号 ,  液位 , 实时值 , 信号质量 , 温度 ,检验码#



(2)数据范围说明


名称

头码

小时

ID号

液位值

实时值

信号质量

温度

校验和

结束码

值范围

*XD

0000-
9999

00-
nn

0000-
9999

0000-
9999

0000-
0030

0248

0000-
9999

#

说明

-

单位:
小时

任意两位字符

单位:
0.1mm

单位:
0.1mm

-

单位:
0.1℃

-

-

(3)操作示例
设备定时2秒时间自动上传一次液位信息,如下表格:


头码

小时

ID号

液位值

实时值

信号质量

温度值

检验和

结束码

*XD

0000

01

1786

1796

0000

0320

1371

#

帧的数据格式为:*XD,0000,01, 1786,1796,0000,0320,1371#
检验和的计算方式:对小时到温度值的数据全部累加的和(逗号也算),以ASCII码方式显示,发出的数据总长37byte,计算检验和的字节为sum=rx[4]+ rx[5]+…+rx[30]+ rx[31]

4、MODBUS受控协议
(1)寄存器功能列表
模式:RTU,18luck登录入口为从机,18luck登录入口地址:01(0x01)默认;0XFF为广播地址;
校验使用: CRC-16/MODBUS  x16+x15+x2+1;


MODBUS (03)读功能寄存器地址

状态

地址

Byte_H

Byte_L

说明

只读

0X00FF

软件
版本

系统
状态

版本1.0 : 10(0x0A),
正常:128(0x80) 不正常:255(0xFF)注(1)

只读

0X0100

距离

单位:0.1mm

只读

0X0101

温度

单位:0.1℃

只读

0X0102

小时

开机时间计时,断电不保存,分钟数据仅低字节有效

只读

0X0103

分钟

只读

0X0104

报警状态

低字节有效,报警:166(0xAA)
不报警:0(0x00),仅油量异常时报警

MODBUS (06)写功能寄存器地址规划

读写

0X0105

声速

声波在介质中的传播速度
单位为: 分米/每秒

读写

0X0106

波特率

0x01-9600(默认), 0x02-14400,0x03-19200,0x04-38400,0x05-56000, 0x06-57600,0x07-76800, 0x08-115200,0x09-128000

读写

0X0107

设置地址

设置地址时,对未知的设备地址用0xFF代替,同时设置的地址不能为0xFF,默认0x01

读写

0X0108

设置报警阀值

范围(15-60)mm/30s   默认30mm/30s

读写

0X0109

设置报警时间

范围(15-250)S /次   默认60s/次

读写

0X010A

校正(升)

默认该功能关闭

只读

0X010B

容量(标定后)

该功能保留

读写

0X010C

设置自动发送时间

设置自动输出信号的间隔时间范围(2-15)S

只读

0X010D

信号质量

表示当前18luck登录入口获取信号质量的优劣,值越小,表示信号质量越高

读写

0X010E

设置最大的测量距离

设置距离范围(100-1000)mm

只写

0X010F

设置由受控输出转为自动输出

当产品处于受控输出时,可通过指令调整为自动输出

读写

0X0110

设置测量介质模式

0X01为测油模式,0x02为测水模式 ;
默认0x01

注:不正常标志用来指示18luck登录入口电路的工作状态,18luck登录入口在检测到超声波测量状态异常、温度测量异常时,置18luck登录入口异常标志,表示此时数据的不可参考性。

5、电容油杆兼容协议(长润协议)

(1)设置液位18luck登录入口ID(多18luck登录入口,使用485/232通讯ID默认为01)

由终端或电脑发往液位仪的命令ASCII:  $!ID0133

                               ID为命令    01为ID值

十六进制 : 24 21 49 44 30 31 33 33 0D 0A

液位仪回复:

ASCII : *SID01OKOKOK39 表示成功。

*SID01NONONO42 表示失败。

01表示设置的ID值,OKOKOK表示设置成功,ONONON表示设置失败。

十六进制 : 2A 53 49 44 30 31 4F 4B 4F 4B 4F 4B 33 39 0D 0A

2A 53 49 44 30 31 4E 4F 4E 4F 4E 4F 34 32 0D 0A

2)读液位滤波数字量值(推荐作为GPS设备读取命令):

由终端或电脑发往油位计的命令:

ASCII : $!RY0151

十六进制 : 24 21 52 59 30 31 35 31 0D 0A

油位计回复:

ASCII : *CFV0100FA32B6

协议解释: *CFV 为协议输出;01 为返回地址位;00FA32为当前AD值,00为不足6个字节补0代替,FA32为当前油位AD值ASCII表示的十六进制, 即表示当前油位值为0xFA32;B6为和校验。


液位换算: *CFV0100FA32B6 :00FA32(16进制)= 64050(十进制)

->  64050 / 65535*1000 ≈ 977.3 mm


注: 此AD值为油位0%~~100%变化而对应的000000~~00FFFF的AD值

十六进制: 2A 43 46 56 30 31 30 30 46 41 33 32 42 36 0D 0A


(3)设置及查询超声波液位盲区值

盲区设置指令:

ASCII:$!SQxxyy

xx是00~99  (00cm-99cm,步进1cm)  

yy是$+!+S+Q+x+x的总和


例如:   $!SQ054E、$!SQ104A、$!SQ154F……

设置超声波油位18luck登录入口盲区(默认为5cm),由终端或电脑发往18luck登录入口的命令:

ASCII:$!SQ054E  (SQ为命令,05为5cm值,步进为1cm,最大99cm)

十六进制:24 21 53 51 30 35 34 45 OD OA

命令解释:24 21 53 51 为固定格式,30 35为盲区值(表示5cm盲区, 最大99cm),34 45为24-45的和校验。


盲区查询指令:

ASCII:$SSQ104A

十六进制:24 53 53 51 31 30 34 41 OD OA

18luck登录入口回复:*SSQ05OKOKOK86   (之前设置盲区5cm)


注意:设置18luck登录入口ID命令兼容油杆修改ID的指令,可用油杆手柄修改ID;

     ACT液位18luck登录入口没有阻尼系数设置,不支持修改;

     设置查询盲区值指令非长润协议内容,只支持ACT液位18luck登录入口修改。

四、选型说明

18luck登录入口型号相对应出厂前选择,用户可根据实际使用需求选择相对应型号。




  1. 产品包装明细

序号

名称

数量

单位

用途

备注

1

18luck登录入口

1


自带密封圈

2

双螺栓固定支架

1

固定18luck登录入口

上下螺帽上紧

3

延长线

1

8m裸线/3.5m防水线

8m裸线可打端子

安装辅材

1

扳手

1

支架螺丝紧固


2

卡夫特AB胶

1

粘贴固定支架

1:1混合均匀

3

找点耦合剂

1

测试找点

密封圈内涂满

4

安装黄油

1

18luck登录入口安装时耦合

密封圈内涂满

5

密封硅胶

1

18luck登录入口密封,螺丝防松

防护18luck登录入口和支架

6

砂纸

1

打磨油箱

建议自带

7

擦拭抹布

1


清洁油箱底部

建议自带

8

扎带

5

固定线缆

建议自带

液位读取工具

1

显示板

/

测试安装读取液位

选配

2

充电宝

/


显示板读取液位供电

自带

整套产品:毛重0.45Kg,包装尺寸:23.2cm x 16.2cm x H5.9cm
外箱重量:毛重12.3Kg,外箱尺寸:50cm x 36cm x H30cm,整箱数量:20套/箱

六、注意事项

请确认好购买18luck登录入口电压版本与供电电压匹配,否则会烧掉18luck登录入口;

特殊要求线材或者防水头规格,请联系我们,另行报价;

18luck登录入口通讯方式请提前和定位主机厂家确认OK,并保证支持油耗;

特殊私有协议,请提前把协议发给我们对接确认;

18luck登录入口只与定位主机通讯,监控平台数据不通请对接定位主机厂家;

安装时需保证车辆停靠在平坦路面,且油箱内液位高度大于18luck登录入口盲区值;

安装超声波18luck登录入口时,需要按照安装说明进行,并带齐配件和相应工具。


七、售后服务

本产品自出货之日起,享受一年保修服务;

保修期内属非人为因素或产品质量造成的设备损坏,请及时与我们联系处理;

对客户私自拆动或不可抗力(如洪水,车辆事故)造成的损坏不予维修;

保修期满后,由于使用造成的产品损坏、故障,需要收取维修材料成本费;

免费为客户提供产品的购买、使用、安装、测试等咨询及技术服务。




tags:超声波油耗设备厂家,超声波油耗设备价格,超声波油耗设备供应
更新时间:21/07/28 10:11:07   【打印此页】   【关闭【返回上一页】

联系我们

联系人:陈经理

电   话:18816179897

电   话:15762895397

公司地址:山东省淄博市张店区中关

村科技城E座四楼

新利体育·luck18(中国)

Baidu
map